BH3G
Technical Parameter
Rated load | t | 0.05/0.1/0.2/0.25/0.3/0.5/1/2.5/5/7.5 | ||
lb | 250/500/750/1 K/1.5K/2K/2.5K/3K/5K/7.5K/10K/15K/20K | |||
Accuracy | C3 | A5S | B10S | |
Maximum number of load cell verification intervals | nmax | 3000 | 5000 | 10000 |
Minimum load cell verification interval | Vmin | Emax/10000 | Emax/15000 | Emax/10000 |
Composition Error | (%FS) | ≤ ±0.020 | ≤ ±0.018 | ≤ ±0.035 |
Creep | (%FS/30min) | ≤ ±0.016 | ≤ ±0.012 | ≤ ± 0.030 |
TC Span | (%FS/10°C ) | ≤ ±0.011 | ≤ ±0.009 | ≤ ±0.030 |
TCO | (%FS/10°C ) | ≤ ±0.015 | ≤ ±0.010 | ≤ ±0.030 |
Rated load | (mV/V) | 3.0 ±0.008 | ||
Input Resistance | (Ω) | 380 ±5.0 | ||
Output Resistance | (Ω) | 351 ±3.0 | ||
Insulation Resistance | (MΩ) | ≥ 5000(50VDC) | ||
Zero balance | (%FS) | ≤ ±1.0 | ||
Temperature compensation range | (°C) | -10 ~ +40 | ||
Service Temp Range | (°C) | -35 ~ +70 | ||
Recommended excitation voltage | (V) | 5 ~ 12(DC) | ||
Maximum excitation | (V) | 18(DC) | ||
Safe Load Limit | (%FS) | 150 | ||
Breaking Load Limit | (%FS) | 300 | ||


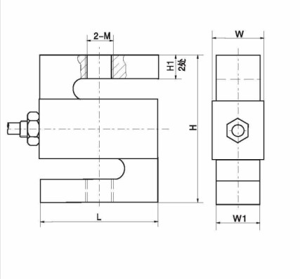
boundary dimension mm(inch)
L | H | W1 | W | M | H1 | |
50kg, 100kg | 50.8(2.0) | 63.5(2.5) | 12.7(0.5) | 16.07(0.63) | M8 | 10.16(0.4) |
50klb ~ 300lb | 1/4-28UNF | |||||
200kg~500kg | 50.8(2.0) | 63.5(2.5) | 19.05(0.75) | 22.43(0.88) | M12 | |
500lb~1.5klb | 1/2-20UNF | |||||
1t | 50.8(2.0) | 63.5(2.5) | 25.4(1.0) | 28.78(1.13) | M12 | |
2,2.5klb | 1/2-20UNF | |||||
2.5t | 76.2(3.0) | 101.6(4.0) | 25.4(1.0) | 28.78(1.13) | M20x1.5 | 15.2(0.6) |
3klb | 1/2-20UNF | |||||
5t | 76.2(3.0) | 101.6(4.0) | 25.4(1.0) | 28.78(1.13) | M20x1.5 | 20(0.79) |
5klb,10klb | 3/4-16UNF | 15.24(0.6) | ||||
7.5t | 101.6(4.0) | 139.7(5.5) | 31.75(1.25) | 35.13(1.38) | M24x2 | 30(1.18) |
15klb | 1-14UNS | 31(1.22) | ||||
20klb | 127(5.0) | 177.8(7.0) | 50.8(2.0) | 54.2(2.13) | 1.25-12UNF | 39.9(1.57) |